ME 16-P logic, integral logic annunciator
Control board mounting - Fault indicating system
Controls and displays
- Bright 5mm RGB-LED display
- Separate status indicator (green = Power ON / blue = USB connected)
- Easily exchangeable label strips
- Integrated mini horn and functional buttons
Parameterization
- Integrated Mini USB interface for parameterization using Windows 7 Pro or higher
- Acknowledgeable new alert/first alert flash warning, all sequences ISA-18.1-1979 (R2004) and DIN 19235
- Quiescent / operating current – for each signal
- New alert / first alert – for each signal
- Inputs freely assignable to outputs for each signal
- Response delay variable for each signal from 50ms to 10min
(in steps of 50ms, 2s and 1min) - Selectable LED colors (red/green/yellow/blue/white)
- Anti-tilt monitor
Electrical characteristics
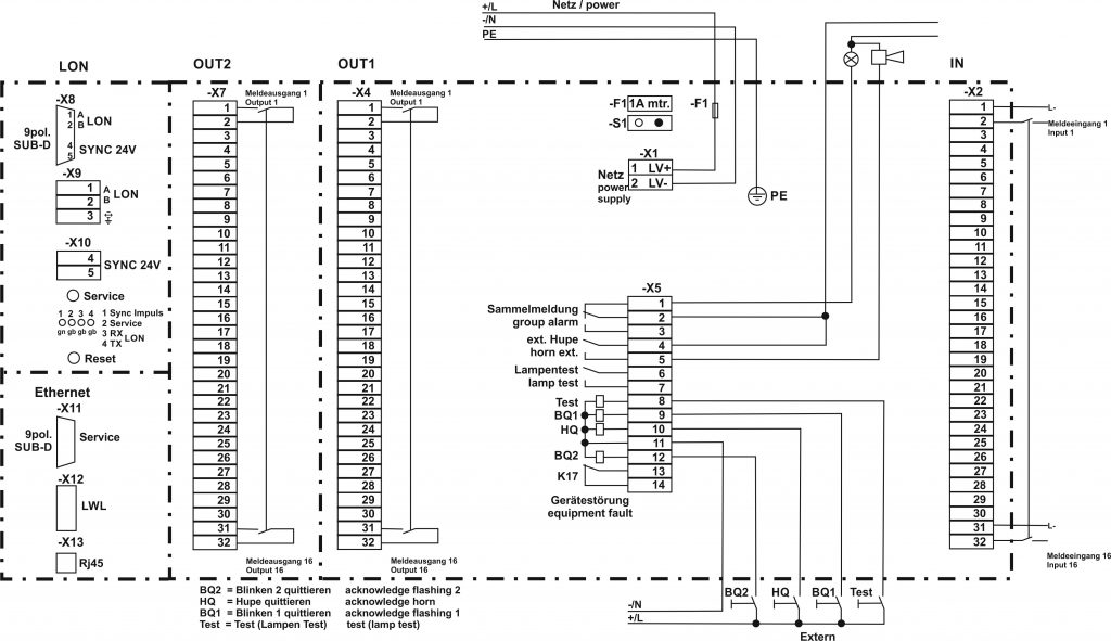
- 16 signal inputs, 2-pole, max. 230V AC / 240V DC with filter switching and electrical isolation
- Resolution and switching precision ≥ 1ms
- EMC-values: Higher immunity levels to UNITRO-PSC-Standard
- Potential-free outputs 2-pole:
contactless opto-mos switch max. 300V DC, 100mA (resolution ≥1ms),
or normally open relay max. 5A 250V AC, 3A 30V DC (resolution ≥10ms) - Electrically isolated horn / test- and group signal output (max. 5A 250V AC, 3A 30V DC)
- States saved to memory on power failure
Mechanical characteristics
- Compact aluminum installation housing to IEC 61554 (144 x 144 x 160 + 25mm)
- Connection: Screw-type terminals, plug connection with screw flange and strain relief max. 2.5mm²
Options
- Additional printed circuit for 16 output contacts
- or 2-wire bus link (LON bus)
- or Industrial Ethernet interface (replaced by WA16 IEC 61850)
Technical data:
- Type of construction:
control board housing aluminum 144 x 144 x 160 + 25mm
(cutting for installation 138 x 138 + 1mm)
- Degree of protection:
front: IP50, with full-view acrylic glass doors IP54
housing: IP20
- Weight:
max. 2000g
- Climatic conditions:
in accordance with UNITRO-PSC-Standard
- Connection:
screw-type terminals/ plug connection connection with screw flange max. 2.5 mm²
- Supply voltage:
24V AC/DC
48-60V AC/DC
110/125V AC/DC
220/240V AC/DC
voltage-adapted
- Alarm signal nominal voltage:
24V AC to 230V AC
24V DC to 240V DC
voltage-adapted,
voltage tolerance ±10%
- Input level for signal inputs:
at 24V AC / DC 8mA
at 230V AC 7mA
at 60V DC 4mA
at 110 / 125V DC 3mA
at 240V DC 2mA
- Data retention in the absence of power:
20 years
- Resolution:
≥ 1ms (opto-mos)
≥ 10ms (Relay)
- Switch-on delay:
programmable from 50ms to 10min
(in steps of 50ms, 2s and 1min)
- Minimum signal duration:
1ms
- First-up discrimination:
1ms
- Flashing frequencies:
2Hz / 0.5Hz
- Power loss:
max. 6W + 16x 0.5W
- Relay outputs:
max. 5A 250V AC,
3A 30V DC
- Contactless signal outputs:
opto-mos switch max. 300V DC, 100mA
- Parameterization interface:
Mini USB interface for parameterization
with software, used with Windows 7 Pro or higher
- Leakage distances and clearances:
in accordance with UNITRO-PSC-Standard
- EMC, immunity to interference:
UNITRO-PSC-Standard, immunity higher
degrees of severity according to the
actual generic standards DIN EN 61000
subject to change
